


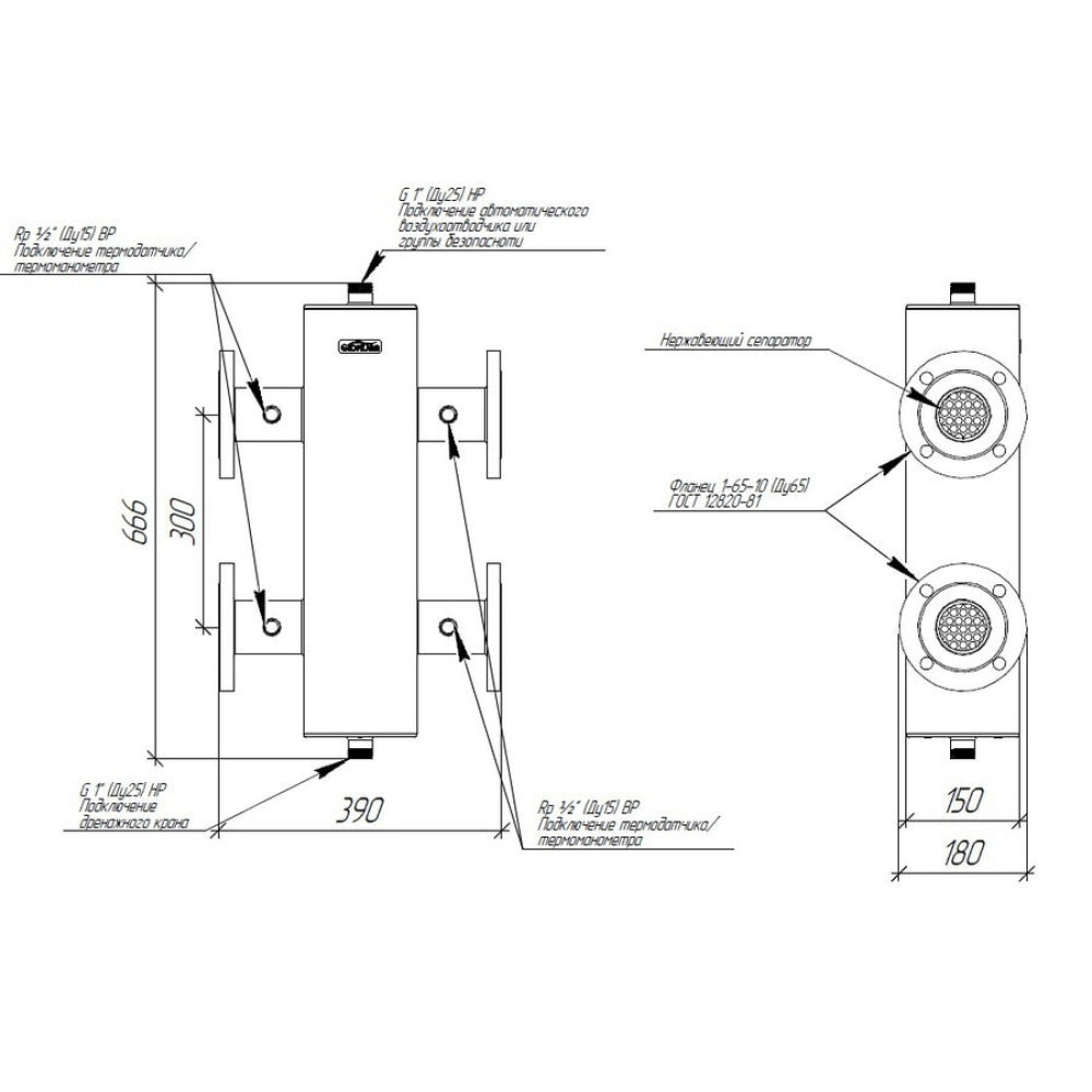
Гидрострелка Gidruss GRSS-400-65 до 400 кВт ДУ 65 нержавеющая сталь
Гидравлический разделитель GRSS-400-65 из нержавеющей стали AISI 304 (08Х18Н10) необходим в системах отопления до 3000 м² для обвязки одного или нескольких котлов общей мощностью до 400 кВт с потребителями.




