


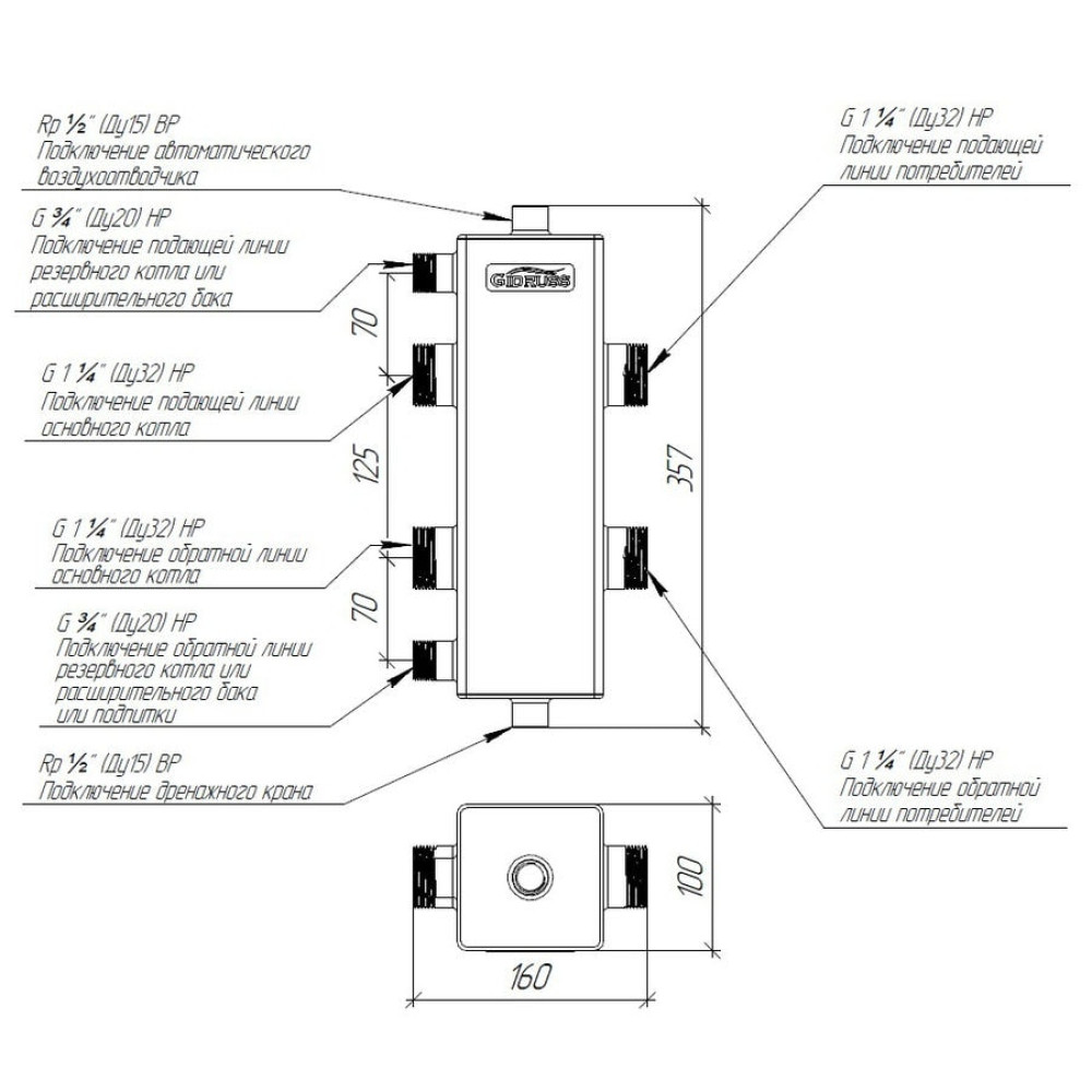
Гидрострелка стальная Gidruss GR-100-32 до 100 кВт 1 1/4"
Гидрострелка GR-100-32 необходима в системах отопления до 800 м² для обвязки 1 напольного котла до 85 кВт или 2-х настенных котлов до 100 кВт с возможностью подключения резервного электрокотла к доп. подключениям G ¾″.




