8 (499) 136-50-55
Офис Волгоградский проспект
Режим работы
9:00-20:00
Написать нам
Наш адрес
г.Москва, Волгоградский проспект, дом 32, корпус 12
Интернет-магазин оборудования для отопления и водоснабжения
Каталог
Назад в каталог
Гидрострелка стальная Gidruss GR-250-50F до 250 кВт ДУ 50
Гидрострелка стальная Gidruss GR-250-50F до 250 кВт ДУ 50
Гидрострелка стальная Gidruss GR-250-50F до 250 кВт ДУ 50
Гидрострелка стальная Gidruss GR-250-50F до 250 кВт ДУ 50
Гидрострелка стальная Gidruss GR-250-50F до 250 кВт ДУ 50
Гидрострелка стальная Gidruss GR-250-50F до 250 кВт ДУ 50

Гидрострелка стальная Gidruss GR-250-50F до 250 кВт ДУ 50

9 лет
на рынке
Широкий ассортимент
продукции
Доставка
по всей стране
Самые низкие
цены на рынке
Код товара: 241449
38100 ₽
В наличии

Описание

Гидрострелка стальная Gidruss GR-250-50F до 250 кВт ДУ 50

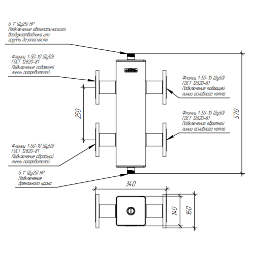
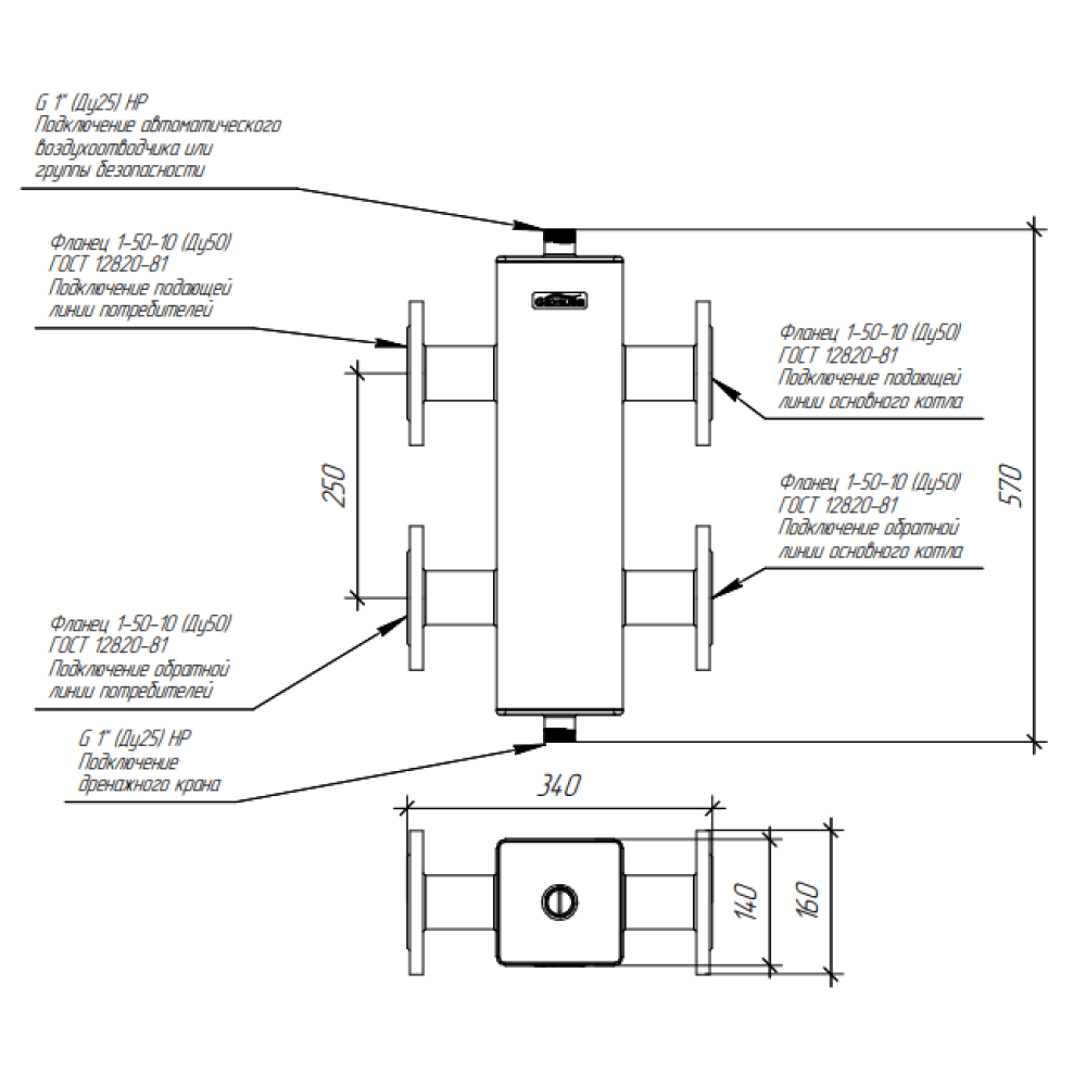
Гидравлический разделитель GR-250-50F необходим в системах отопления до 2000 м² для обвязки одного или нескольких котлов общей мощностью до 250 кВт с потребителями.

  • Максимальная подача, м³/ч 10.7
  • Максимальная отапливаемая площадь, м² 2000
  • Магистральное присоединение фданец 50
  • Материал исполнения Конструкционная сталь
  • Количество контуров 1
  • Мощность максимальная, кВт 250
  • Вылет от стены, мм 120-140
  • Межосевое расстояние, мм 250
  • Доп. присоединение Rp 1/2″ (ВР)

Характеристики

Характеристики

Max мощность, кВт 250
Артикул 11 00250 19
Гарантия, лет 5
Материал Сталь
Мах давление, бар 10
Производитель Gidruss
Страна производитель Россия