Бойлеры (водонагреватели) косвенного нагрева серии OKC … NTR/BP являются базовой серией косвенного нагрева в линейке производителя Drazice. Обеспечивают нагрев горячей технической воды (ГТВ) системы водоснабжения круглый год горячей водой или иным теплоносителем из системы отопления (например от газового или твердотопливного отопительного котла) с первоочередным подключением к нагреву ГТВ. В моделях OKC…NTRR можно комбинировать подачу горячей воды из газового котла и альтернативного источника теплоэнергии либо при совместном подключении обоих теплообменников получить значительное увеличение площади нагревательной поверхности теплообмена.
Исполнение BP (боковой фланец):
Новейшая серия напольных эмалированных водонагревателей косвенного нагрева объёмом 160–250 литров с эмалированным резервуаром и мощными одним либо двумя (от 200 литров) теплообменниками для нагрева ГТВ из внешнего источника или комбинации источников. При подключении обоих теплообменников можно получить источник для нагрева ГТВ суммарной мощностью до 57 kW. Водонагреватель оборудован регулятором температуры ГТВ (термостат для управления трёхходовым клапаном или циркуляционным насосом) с электропитанием 230 V/50 Hz, и с объёмом до 200 литров – предохранительным клапаном и выводом для циркуляции.
В нижней части водонагревателя находится смотровой фланцевый люк для чистки внутренней поверхности резервуара и для монтажа, если это необходимо, вспомогательного электрического нагревательного элемента серии TPK из каталога дополнительного оборудования. При применении водонагревателей в системах с солнечными батареями, водонагреватели объёмом от 200 литров оборудованы патрубком 6/4" для электронагревательного элемента TJ, размещённым над солнечным теплообменником (см. каталог дополнительного оборудования).
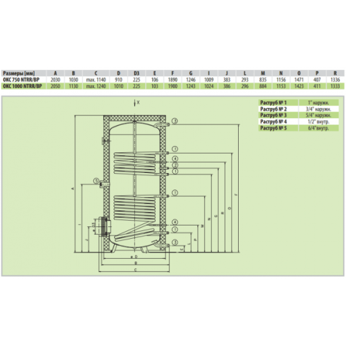
Водонагреватели косвенного нагрева воды объёмом 300–1000 литров с эмалированным резервуаром при рабочем давлении до 1 Mpa. Водонагреватели оборудованы одним (NTR) либо двумя (NTRR) мощными спиральными теплообменниками, гильзами для датчиков контроля и управления, и также смотровым фланцевым люком. Для нагрева ГТВ применяется горячая вода с макс. температурой 110 °C и давлением 1МПа. В смотровом люке можно смонтировать вспомогательный электронагревательный элемент серии R и SE (см. каталог дополнительного оборудования). Патрубок 6/4" над нижним теплообменником предназначен для монтажа вспомогательного электронагревательного элемента серии TJ для дополнительного нагрева ГТВ (см. каталог дополнительного оборудования). Такой дополнительный нагрев применяется при подключении водонагревателя к системе на солнечных батареях. У водонагревателей объёмом до 500 литров изоляцией служит слой твёрдой полиуретановой пены толщиной 50 мм. Водонагреватели на 750 и 1000 литров изолированы слоем 100 мм мягкой полиуретановой пены (молитаном) и поставляются отдельными узлами с резервуаром.
Характеристики






